
概述
振铃波抗扰度发生器HRWS是专门模拟电网高能量振荡的测试设备,这种振铃波通常是电网中大负载接入和断开时诱发的。HRWS系列振铃波模拟器内置单相耦合去耦网络,最大电流16A,外置三相耦合去耦网络,最大电流200A。
HRWS系列主机自带7英寸的触摸屏微机程控,通过USB接口支持在线固件升级,用户也可以用PC实现远程控制(LAN通信)。
HRWS 正面图
产品特点:
◆7英寸触摸彩屏,简洁大方的UI,利于操作
◆7.0kV/10.0kV最大输出电压
◆峰值电压和峰值电流检测
◆单相16A&三相32/64/100/200A的CDN可选,全自动控制
◆外部扩展直流故障电源和电压变化测试模块EUT
◆高品质进口元器件,产品体积小&重量轻
◆可编辑单个的试验程序和多个程序的组合
◆波形:0.5µs/100kHz
◆阻抗:12 Ω & 30 Ω
◆数据线端口耦合去耦网络,满足IEC和ANSI标准
◆全兼容、认证级抗扰度测试系统
适用标准:
◆IEC/EN 61000-4-12
◆GB/T 17626.12
◆ANSI/IEEE C37.90
◆ANSI/IEEE C62.41
技术参数:
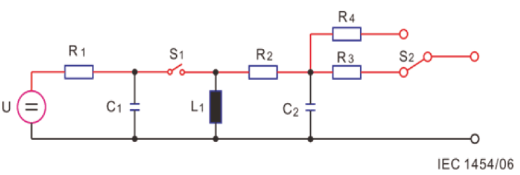
振铃波发生器原理图:
软件运行界面:
选型及配件: