
如今,电磁干扰越来越成为产品关注的焦点,也成为产品进入国外市场的重要瓶颈。由于中国长期忽视这一领域,以及测试设备及其昂贵等诸多因素,中国在这一领域的发展相对缓慢。
了解这一领域的工程师很少,这已经成为大多数工程师和国内企业研发部门最头疼的问题。当他们解决这些产品的问题时,他们中的大多数人都是盲人。在走了很多弯路后,他们几乎没有解决这个问题。这种经验是不可复制的,在以下产品的开发中仍然会面临各种各样的问题,即使在解决的产品中,商品数量不够,在批量生产中,更随机。
电磁兼容真的那么难吗?
今天,让我们抛开事物的谜团,掌握事物的本质,彻底理解和掌握电磁兼容性的原因,找到解决办法,让工程师睡个好觉。
破解模拟硬件设计有三个定律:
一、源、回路、阻抗;
第二,电路是波形整形,从无用的波形到有用的波形,包括形状和相位整形;
第三,熟悉元器件的参数、包装、鲁棒性和成本,从而在临界区域设计产品。
在这里,我们可以利用第一定律源、电路和阻抗将其融入产品设计,帮助我们纠正电磁兼容性问题,利用第三定律的组件进行包装,优化电磁兼容性问题。
电磁兼容性,简称EMC(Electromagneticompatibility)。它包括两个方面,一个是干扰其他电气产品,简称EMI(electromagnetinetice),即电磁干扰;另一种是被其他电气产品干扰,称为抗干扰。我们用EMS(electromagnetictictibility)说。
为了解决电磁兼容性问题,我们必须首先了解频率带宽的问题。一般来说,带宽是信号的频率,而信号频率的本质是信号的速度。那么,信号速度的本质是什么呢?它是信号的上升斜率和下降斜率。信号斜率(包括信号的上升斜率和下降斜率,统称为这里),信号斜率越慢,绝大多数只能通过导线传输,其频率一般在0-30mHz之间,这是我们传输测试的关键测试。信号斜率越快(一般频率在30mHz-3zHz之间,即所谓的带宽),可以通过天线辐射到空间,包括电源引入线,包括元件的圆角,包括直角。
测量哪些内容?
EMC测量包括两个方面:第一传导测试和第二辐射测试。传导测试主要测量导线,辐射测试主要测试空间4米天线和10米天线。
ESD测试是什么?
ESD测试是关于静电测试的。当静电击中产品时,产品不会异常运行。
噪音是什么?
一般来说,我们统称输入的无用信号为噪声。起初,由于电源发出一些声音,我们称之为噪声,但实际上,人耳接收频段的能力有限,2Hz-2KHz。事实上,更多的频段信息(无用信号)是听不见的,所以我们称所有对设备本身无用的信号为噪声。简而言之,所有无用的波形都是噪音。
因此,干扰应包括三个要素:骚扰源、传播途径和敏感设备。骚扰源有两种,一种是电场骚扰源,另一种是磁场骚扰源。
从第一大定律来看,源-这里的源是指骚扰源,包括电场、磁场和电磁场引起的骚扰。然后,从这个频段的角度来看,30m以下的传导干扰和30m以上的辐射干扰。电路-30m以下的传导干扰,其传输路径(电路)为引线,也包括PCB接线;30m以上的干扰,其传输路径为空间,由天线发射和接收。阻抗-阻抗是指电路中波形衰减的能力称为阻抗。从两个主要方向回答,仍然从传导和辐射进行分析。首先,讨论传导阻抗的问题。传导阻抗可以在电路中有两个方面,第一个方面是差模干扰,第二个是共模干扰。
差模干扰是指两条电源线之间的抑制和衰减,主要通过选择合适的电容器(X电容器,也称为安全电容器)和差模线圈。共模干扰是两条电源线分别对地面(简称地面),主要通过选择合适的电容器(Y电容器,也是安全级别)和共模线圈进行抑制和衰减。我们常用的低通滤波器通常具有抑制共模和差模干扰的功能。
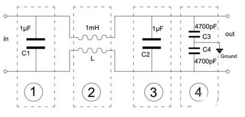
如下图:
图1.低通滤波器原理图
如图1所示,3是差模电容,2是共模电感,4是共模电容。
由1、2、3组成的π滤波器,由1、3组成的电容器主要是过滤两条线之间的信号差,因此得名。这两个电容器的值一般为0.22uf-1.5uf。当干扰超标时,一般的解决方案是增加这两个电容器的值,但随着电容器值的增加,漏电流会增加,这需要注意。
由于差模电容器连接到L和N线之间,它实际上与后负载并联。此外,由于电容器对低频信号有很强的阻碍作用,它对高频信号有很强的导通性和低阻抗作用。当50Hz-60Hz低频交流信号流过电容器两端时,由于电容器的阻抗性能极大,电容器不起任何作用,这意味着没有电容器。当差模信号通过时(差模信号一般为高频无用信号),电容器性能为通路,阻抗非常小。在高频信号下,电容器相当于短路后负载,因此后负载不会受到高频信号的干扰。例如下图,差模电容器的工作原理。以上是利用张先生最大的定律源、电路和阻抗来分析差模电容器的特性。
图2.差模电容工作原理
2是共模电感,上面有两个独立的线圈,相反的方向缠绕在同一个圆形闭合的磁芯上。由于这两根电线的大小相等,相反的方向相反,磁场相互抵消。共模电感与后负载串联。当差分信号通过时(差分信号通常是高频无用信号),由于电感阻碍电流的变化,此时电感表现为大电阻,后负载类似于小电阻,电感承受了绝大多数高次谐波的压降。根据电阻分压原理,后负载得到的电压接近于零。当50Hz-60Hz低频交流信号流过电感两端时,由于电感的感抗性能极小,电感几乎没有阻碍,这意味着没有这种电感。所以我们说这种电感对差分信号起作用。如图所示,共模电感的工作原理如下。以上仍采用张先生的第一个定律源、电路和阻抗来分析共模电感的特性。共模电感的感应选择一般在几百微恒到几毫米的水平。
图3.共模电感工作原理
4是共模电容器。这两个电容器以Y型命名,因为它们分别连接L和N线,并对地面(不是电路中的地面)。一般来说,电路中的地面是GND和浮动地面,而共模电容器的地面是地面earth)。因为Y电容器的一端与地面相连,它实际上与背面的负载并联。如图所示,共模电容器的工作原理。当50Hz-60Hz低频交流信号通过Y电容器的两端时,由于电容器的阻抗性能极大,相当于断路,不导通。当共模信号通过时(共模信号通常是高频无用信号),电容器表现为通路,阻抗性很小。高频信号通过Y电容器到达地面,后面的负载不会受到高频信号的干扰。以上仍采用张先生的第一个定律源、电路和阻抗来分析共模电容器的特性。共模电容器的值一般为2200pf-6800pf。其值越大,越容易解决干扰问题,但泄漏越大,取值越重。
图4.共模电容工作原理
当电路中的正常电流流经共模电感时,电流在同相位绕制的电感线圈中产生反向的磁场而相互抵消,此时正常信号电流主要受线圈电阻的影响(和少量因漏感造成的阻尼);当有共模电流流经线圈时,由于共模电流的同向性,会在线圈内产生同向的磁场而增大线圈的感抗,使线圈表现为高阻抗,产生较强的阻尼效果,以此衰减共模电流,达到滤波的目的。
一般 滤波器不单独使用差模线圈,因为共模电感两边绕线不一致等原因,电感必定不会相同,因此能起到一定的差模电感的作用。如果差模干扰比较严重,就要追加差模线圈。